IGBT驅動保護器的設計方案包括電源電路、驅動、信號隔離和保護等方案的設計,根據不同的應用需求可采用不同的設計方案。

圖1 脈沖變壓器隔離的IGBT驅動保護方案
圖1為采用脈沖變壓器進行信號隔離的IGBT驅動保護方案(王立虎,2012)。系統方案主要分為隔離前端的低壓部分和隔離后端的高壓部分。后端通過物理接口以壓接的方式與IGBT模塊進行連接,主要包括以下幾個部分:功率驅動、VCE檢測部分、短路檢測及快速關斷、欠壓檢測以及+15V和-10V的隔離電源。前端主要包括數字控制部分(FPGA或CPLD)、過溫信號處理、電流信號處理、隔離電源驅動以及過載保護監測。其中數字控制部分包含錯誤處理,脈沖整形(短脈沖抑制)、互鎖、死區時間以及DC/DC隔離電源的驅動信號。輸入信號由外部控制單元提供,外部信號首先進入數字處理部分,在內部進行短脈沖抑制、互鎖、死區設置等處理之后,通過脈沖調制,利用脈沖變壓器傳遞到后端,在后端通過脈沖整形,還原驅動信號,因為該驅動信號的驅動功率不足以驅動大功率的IGBT模塊,所以需通過功率放大來增加驅動功率,使IGBT模塊在要求的時間內開通關斷,這就是驅動部分的設計。功率放大所需要的電源來源于前端通過DC/DC隔離電源產生,在IGBT的工作過程中,功率放大所需要的電源如果欠壓,將導致IGBT不能按照要求的速度開關,導致錯誤開關,甚至造成IGBT的直通損壞,因此上下兩路電源都需要有欠壓檢測,以保證功率放大穩定。檢測信號通過隔離傳輸到前端的數字部分進行處理。系統通過VCE檢測到IGBT的短路信號后,首先在隔離后端對驅動信號進行快速關斷,然后通過隔離傳輸到前端,進入數字部分進行處理。溫度檢測與過載檢測在通過傳感器檢測后,直接輸入到前端,通過信號的處理,向外部的客戶端送出模擬信號,同時將錯誤信號送進數字部分做相關處理。DC/DC隔離電源采用全橋模式,數字部分輸出的信號不足以驅動DC/DC全橋變換的主電路,因此DC/DC隔離電源的隔離前端需要有功率驅動部分。

圖2 光纖隔離的IGBT驅動方案
圖2為采用光纖進行信號隔離的大功率IGBT數字可編程驅動器(王亮亮,2015)。該驅動器的核心是一個數字控制單元CPLD,除此之外還包括以下幾個部分:高隔離電壓的DC/DC變換器、信號隔離傳輸部分、閉環多級動態門極驅動部分、多種故障檢測和保護部分及狀態反饋部分。其中數字控制單元CPLD包含以下模塊:短脈沖抑制模塊、輸入信號過頻保護模塊、正常開關信號控制模塊、多種故障信號檢測模塊、故障軟關斷控制模塊及相應狀態指示燈控制模塊。多種故障檢測和保護部分都包含以下功能:兩級電流變化率dI/dt、多級VCE退飽和檢測、IGBT過電流、過溫檢測和保護、驅動電源欠壓檢測及保護。
驅動控制信號(PWM)由外部控制單元提供,其經過光纖隔離傳輸首先進入CPLD數字處理單元,在內部經過短脈沖抑制、過頻保護等處理之后,控制閉環多等級動態門極功率放大部分,使IGBT按照實際需求合理正確地開通和關斷,這就是整個模塊的驅動部分。當IGBT有故障信號出現時,故障檢測及保護部分將檢測到的信息送給CPLD,CPLD確認該故障的真實性后,會發出對應的保護指令,進而保護IGBT不受損壞,同時能夠實時地向外部控制器反饋IGBT的運行狀態,方便用戶的使用。整個驅動與保護電路所需要的功率來源于高隔離電壓DC/DC變換器,它是保證IGBT安全、可靠運行的能量源泉。
在IGBT開通時,驅動電路需要提供一定幅值的正向開通電壓,向門極電容充電使IGBT達到飽和。在關斷時提供一定幅值的關斷電壓來抽取門極電容中儲存的電荷,使IGBT處于截止狀態。因而,可以通過數字芯片控制對應功率器件的通斷,來改變回路電流的流向,實現對IGBT的開通和關斷操作(文陽等,2016)。

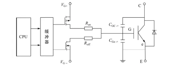
圖3 簡單的數字化驅動電路
圖3為一簡單的數字化驅動電路,控制芯片CPU發出的信號進入緩沖器后來控制開關管的開通和關斷,從而得到IGBT開通和關斷所需要的正向和負向電壓。

圖4 數字化動態門極驅動結構
隨著IGBT驅動技術的不斷發展,研究人員又提出了可以優化IGBT開關特性的動態門極驅動結構。圖4為數字化動態門極驅動結構,其中圖4(a)與圖4(b)的工作原理大致相同。在IGBT的開關過程中,根據IGBT的開關特性,控制對應的開關管的通斷來改變其門極驅動電阻的大小,調節IGBT的開通關斷速率,優化其開關特性。而且,由于控制芯片的可編程性,在驅動功率足夠大的情況下,可以通過調整各個開關管的通斷組合方式,實現對不同廠家、不同電壓等級、不同電流等級以及不同型號的IGBT的開關控制,大大提高了驅動器的兼容性。此外,圖 4(b)所示的驅動結構只需要單路驅動電源便可滿足開通關斷的驅動電壓要求。當要驅動IGBT開通時,通過控制開關管的通斷,使發射極e端接至0V電位,門極G接至+15V電位,在門極和發射極之間產生+15V開通驅動電壓。當要驅動IGBT關斷時,使發射極e端接至+15V電位,門極接通0V電位,在門極和發射極之間產生-15V關斷電壓。這有利于降低電源的設計成本,減小驅動器的體積(王亮亮等,2016a)。
對IGBT的保護操作主要包括電壓故障的保護、電流故障的保護以及溫度故障的保護,而這些故障對應的檢測電路的輸出信號通常情況下均為數字信號。因而,可將故障信號直接送入數字可編程芯片進行處理分析,根據不同的故障類型配置不同的保護操作。
當檢測電路檢測到故障信號并反饋給數字化保護電路時,保護電路首先需要對該故障信號進行甄別,判斷是否為有效的錯誤信號,從而避免誤保護。對如何確認故障信號,一般采用計數器計數再判斷的原理,假設錯誤信號為低電平有效,在接收到低電平后,如果低電平持續時間小于故障確認時間tc,則認為該電平為干擾電平,大于故障確認時間tc的電平為有效電平。不同類型的故障,確認的時間不一樣,具體時間根據該類故障下的電氣特性而定。
針對不同類型的故障,其關斷保護的控制策略也不同。例如,IGBT在發生短路故障時,集電極電流IC快速上升至額定電流的數倍,此時就需要對IGBT進行軟關斷操作,從而避免因關斷速率過快而引起關斷浪涌電壓過高,造成IGBT的二次損壞。同時,針對不同類型的故障,其關斷保護的響應時間也不同。通常情況下,在檢測到IGBT故障信號后,驅動器會對故障信號進行快速的甄別和響應,關斷處于故障狀態下的IGBT。但是對于IGBT的過載過電流故障,由于其過載時電流值為額定值的1.2~1.5倍,因而過載過電流不需要快速響應,允許有短時間的過載運行狀態(王亮亮等,2016b)。
圖5為一種數字化保護電路的實現方法,此策略針對不同類型的故障信號,設置不同的關斷保護方式和保護動作的響應時間。當故障信號輸入到主控制芯片后,控制芯片會對故障類型進行判斷。若是為過載故障,則對故障信號的真偽進行甄別,經過故障確認時間tc1后,故障狀態仍存在,則對IGBT進行關斷保護操作。過載故障時集電極電流較低,因此只需要正常關斷即可。針對短路過電流故障保護時的關斷應力較大的問題,此策略選用軟關斷的方式來避免關斷過壓的二次傷害。

圖5 一種數字化保護電路的實現方法
數字化驅動的另一個優勢在于其擴展性較強。通常情況下,在IGBT進入故障狀態后,驅動器需要將控制信號反饋給主控端,而不同應用場所的反饋信號的定義方式是不同的,因此一般驅動器在這一點上很難做到兼容。而數字化驅動的好處就在于其可編程性,只需要在現有硬件電路的基礎上對其控制程序稍作修改,就可以實現相應的目標。(英飛凌igbt廠家)