產品中心
最新資訊
聯系我們
產品名稱: 英飛凌IGBT模塊 FS150R12KT3 150A 1200V
產品類型: 英飛凌IGBT
產品型號: FS150R12KT3
發布時間: 2018-09-29
- 產品描述
詳細參數
制造商: 英飛凌
產品種類: IGBT 模塊
集電極發射極最大電壓 VCEO: 1200 V
集電極射極飽和電壓: 2.15 V
在25 C的連續集電極電流: 200 A
柵極射極漏泄電流: 400 nA
功率耗散: 700 W
最小工作溫度: - 40 C
最大工作溫度: + 125 C
高度: 17 mm
長度: 122 mm
寬度: 62 mm
柵極發射極最大電壓: +/- 20 V
包裝數量: 10只
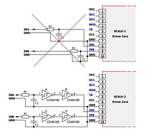
輸入信號INA和INB的窄脈沖抑制
SCALE-2驅動器的信號傳輸延遲極短,通常小于90ns。其中包括35ns的窄脈沖抑制時間。
這樣可以避免可能存在的EMI問題導致的門極誤觸發。下圖舉例說明了在SCALE-2內部窄抑制時間不夠長的情況下如何增大最小脈沖抑制時間。
下圖顯示不建議直接將RC網絡應用于INA或INB,因為傳輸延遲的抖動會顯著升高。建議使用施密特觸發器以避免這種缺點。
請注意,如果同時使用直接并聯與最小脈沖抑制,建議在施密特觸發器后將驅動器的輸入INA/INB并聯起來。
建議在直接并聯應用中不要為每個驅動核單獨使用施密特觸發器,因為施密特觸發器的延遲時間的誤差可能會較高,導致IGBT換流時動態均流不理想。
R1/C1與15V供電的施密特觸發器CD40106的組合可實現最小脈沖抑制。
例如,如果開通電平為10V,關斷電平為5V,則施密特觸發器輸入回差為5V。
如果INx以15V邏輯電平開通,電容C1將通過R1充電,當C1兩側的電壓達到10V時,施密特觸發器將會翻轉。
如果Inx下降(關斷指令),且電容C1兩側的電壓低于5V時,施密特觸發器將會翻轉。在示例中,我們使用了兩個施密特觸發器非門,因此輸入信號不需要取反。

副邊穩壓電路的介紹
驅動器原方的供電為+15V,經過DC/DC處理后得到+25V,這個電壓是開環的,這意味著,如果原方+15V波動,這個+25V也會波動。
SCALE-2副邊的ASIC將+25V分割成+15V及-10V,其中+15V是被穩壓的,這是一個閉環電路,如果Viso與VE之間的電壓不是+15V,則內部電流會調整使得輸出電壓穩定在+15V;而-10V則是開環的,是不穩壓的。
VE管腳是芯片“造”出來的,內部是靠電流源來控制輸出的電壓源。Viso是+15V,VE是0V,COM是-10V。這種穩壓的方法與常見的用穩壓二極管或者三端穩壓電壓電路是完全不同的。
- 其他產品

英飛凌igbt銷售
